#1250-20 Tür-Abtropfprofil für 6+8 mm Glas, Länge 2 Meter, transparent
#1250-20 Tür-Abtropfprofil für 6+8 mm Glas, Länge 2 Meter, transparent
Verfügbarkeit für Abholungen konnte nicht geladen werden
Tür-Abtropfprofil für 6+8 mm Glas, Länge 2 Meter
Farbe Transparent
Diese Duschdichtung ist eine waagrechte Dichtleiste die ausschliesslich für Dreh-oder Schiebetüren verwendet wird.
Hierbei handelt es sich um ein Original Dichtrofil der Firma Glamü. Die Artikelnummer bei Fa. Glamü war die 250. 000. Auf Anfrage ist diese Dichtung auch in 2 Meter Länge erhältlich.
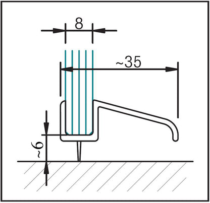
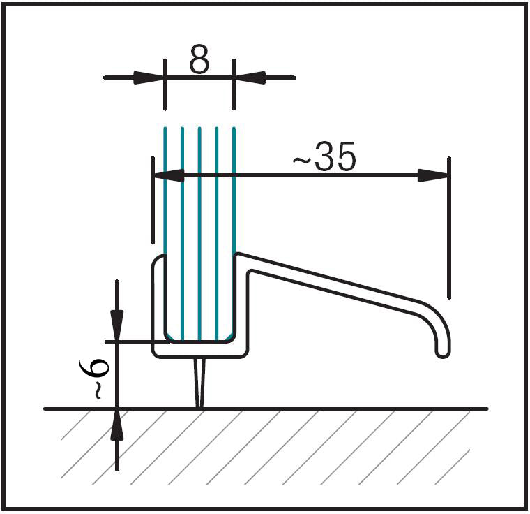
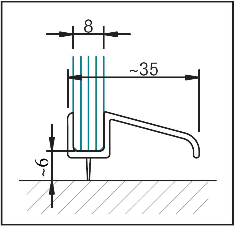
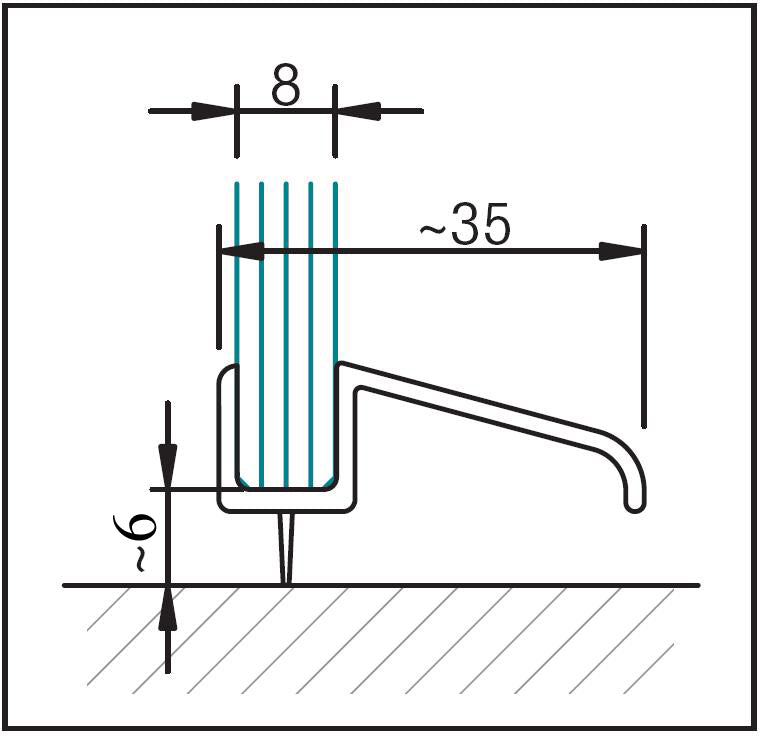
Das Dichtprofil findet besonders dort Einsatz wo sehr flache Duschwannen eingebaut sind. Durch den oftmals flachen Rand der Duschwanne ist es wichtig das das herabfliesende Wasser von der Glastüre wieder zurück geleitet wir in die Duschwanne.
Dafür sorgt die ca. 45° abstehende Dichtfahne mit der Länge von ca. 25mm. Dies erhöht erheblich die Dichtigkeit der Duschkabine. Die senkrechte Wasserlippe mit ca. 6mm nach unten sorgt ausserdem für Abdichtung nach unten.
Wichtig: die seitliche Dichtfahne muss immer nach innen zeigen (in die Duschwanne)!!
Dieses Dichtungsprofil hat eine universelle Glasaufnahme passend für 6+8mm Glasstärke.
Das bedeutet das Die Dichtleiste bei 6mm Glasstärke ganz auf das Glas aufgesteckt werden kann.
Bei 8mm Glasstärke lässt sich das Dichtprofil nicht ganz auf das Glas aufstecken, da in diesem Dichtprofil in der Innenseite zwei kleine Anschlagnoppen angebracht sind. Bis zu diesen Anschlagnoppen lässt sich das 8mm Glas auftsecken.
Die Differenz beträgt ca. 2-3mm weniger in der Glasaufnahme!
Das sehen Sie in unserem Originalbild im Shop.
Unsere Duschkabinen Dichtleisten sind alle aus Deutscher- oder Europäischer Produktion und absolute Markenware. Durch Ihre transparente Optik fügen sich die Duschprofile harmonisch in das Gesamtbild der Duschabtrennung ein.
Wasser abweisen ist die maßgebliche Aufgabe der Dichtungsprofile. Somit dienen die Dichtleisten als Wasserschutzprofil gegen austretendes Wasser aus der Ganzglasdusche.
Unsere Dichtprofile haben eine Länge von ca. 101cm, bei waagrechter Ausführung oder 201cm bei senkrechtem Einsatz. Dichtprofile für längeren Gebrauch wie 250cm gibt es auf Anfrage.
Die Dichtungsprofile setzen sich wie folgt Zusammen :
Im Glasaufnahmebereich der Duschdichtungen bestehen die Profile aus Hart-PVC. Die weichen elastischen Duschlippen bestehen aus Weich-PVC. Somit passen sich die weichen Duschlippen an die Duschwanne oder den gefliesten Boden sehr gut an. Ein weiterer Vorteil von diesen weichen Duschlippen ist das diese jederzeit auch abgeschnitten werden können.
Unsere Dichtungsprofile können und müssen Sie vor Ort selbst auf das passende Maß zuschneiden.
Dies geht relativ einfach mit einer Puk-oder Eisensäge
Pflegehinweise
Duschabtrennungen aus Glas reinigt man am besten mit warmen Wasser und mit einem weichen Microfasertuch und handelsüblichen Glasreiniger (keine Pasten!). Wenn Sie ihre Echtglas-Duschkabine regelmäßig pflegen, dürften Sie mit Kalkablagerungen kein Problem haben.
Sollte es trotzdem zu Kalkablagerungen kommen hilft in der Regel Essigreiniger.
Spülen Sie zunächst sämtliche Reste von Haarshampoo und Duschgel weg, ziehen Sie mit dem Glas Abzieher
(diese gibt es im Shop, Artikelnummer 1889) die Glasscheiben ab, und reiben Sie sofort die Flächen und Profile mit einem weichen Tuch oder Handtuch kurz nach: Die Duschabtrennung sieht wieder wie neu aus.
Das Glas bleibt glänzend und transparent. Bei einer Kunststoffdusche können Sie bedenkenlos das selbe Verfahren anwenden oder bei hartnäckigen Ablagerungen auf einen speziellen Reiniger des Herstellers zurückgreifen.
Achten Sie bitte darauf die Duschabtrennung nach jedem Gebrauchen zu reinigen!
- Entfernen Sie die alte, vorhandene Dichtung
- Reinigen Sie die Glasscheibe von Rückständen. Kalkablagerungen entfernen Sie am besten mit Essigreiniger.
- Stecken Sie das neue Dichtprofil bündig auf die Glasscheibe.
- Das Dichtprofil muss vor Ort auf die entsprechende Länge zugeschnitten werden. Am besten geht das mit einer Puk-oder Eisensäge. Die scharfen Kanten sollten mit einem scharfen Messer oder Schmirgelpapier entgratet werden.
- Empfehlenswert ist die Montage bei Raumtemperatur.
(Angaben ohne Gewähr)
Share
